2020-07-02
一臺功能齊全的掃地機器人,會有很多個傳感器,比如:超聲波傳感器,紅外測距傳感器,接觸式傳感器,紅外光電傳感器,防碰撞傳感器,放跌落傳感器,防過熱傳感器等。在這里鼎悅電子的小編給大家重點介紹下防跌路傳感器。
為了防止掃地機器人遇到臺階時跌落,廠家都會在掃地機器人背面安裝3個防跌落傳感器。防跌落傳感器的安裝位置如下圖所示:

防跌落傳感器是利用超聲波進行測距。當掃地機器人行進至臺階邊緣時,防跌落傳感器就利用超聲波測得掃地機器人與地面之間的距離,當超過限定值7厘米時,傳感器就會向控制器發送信號,控制器發布轉向命令,改變掃地機器人前進方向,從而實現防止跌落的目的。

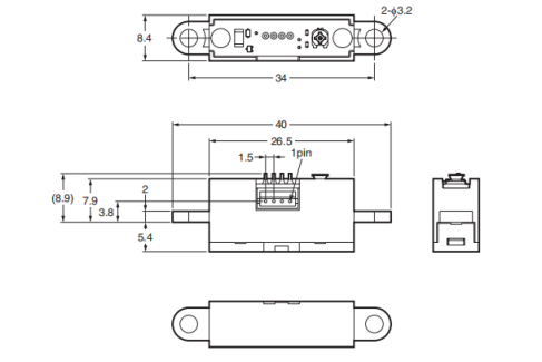
防跌落傳感器,鼎悅電子為什么推薦歐姆龍B5W-LA系列呢?其主要特征有如下幾點:
1、不易受檢測物體的顏色,材質的影響,穩定性高。
2、可檢測鏡面反射物體和透明物體。
3、模擬電壓輸出。
4、最大檢測距離:70MM。

以上是廣州鼎悅電子介紹關于掃地機器人的防跌落傳感器,歡迎大家可以一起來探討,更多信息了解,站內咨詢!
點擊咨詢
電話咨詢
QQ咨詢
微信咨詢
回到頂部